F1 plasma gun is designed and constructed specifically for applying coatings to the internal surfaces of components with an inside diameter of 75 mm or more and to a depth of up to 495 mm. Special body material enables spraying, preventing the electric fields influence on the surfacing process. This modification allows spraying with a plasma jet angle of 45˚ relative to the plasma gun body axis.
F1 plasma gun is designed and constructed specifically for applying coatings to the internal surfaces of components with an inside diameter of 75 mm or more and to a depth of up to 495 mm. Special body material enables spraying, preventing the electric fields influence on the surfacing process. This modification allows spraying with a plasma jet angle of 45˚ relative to the plasma gun body axis.
Following optional accessories are available for plasma gun:
- Nozzle pulling tool
- Gun mounting fixture
- Injector holders
- Injectors
- Electrodes
- Nozzles
GST specialists are always ready to consult you regarding the necessary equipment configuration suitable for a specific production task.
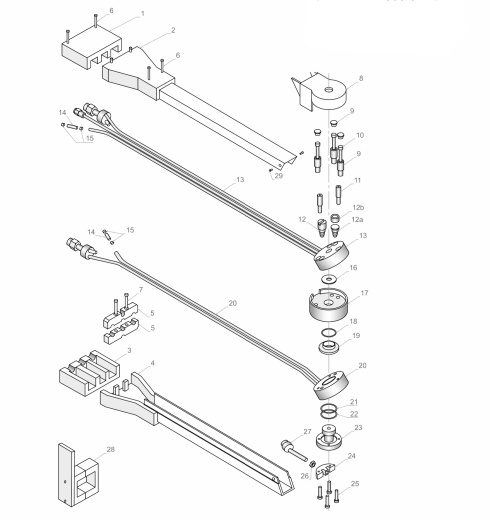
GST F1-45 Plasma Gun
| No. | Article | Name | OEM Article No. | OEM Article No. |
|---|---|---|---|---|
| 1 | GST-302001 | Shell for F1-45/90 | 1003629 | 301.001-01 |
| 2 | GST-302002 | Shell for F1-45/90 | 1003629 | 301.001-01 |
| 3 | GST-302003 | Shell for F1-45/90 | 1003629 | 301.001-01 |
| 4 | GST-302004 | Shell for F1-45/90 | 1003629 | 301.001-01 |
| 5 | GST-302005 | Holder | 1003633 | 301.006 |
| 6 | GST-302006 | Socket head cap screw | - | 301.028 |
| 7 | GST-302007 | Socket head cap screw for holder | - | 301.029 |
| 8 | GST-302008 | Cover | 1003751 | 301.002-01 |
| 9 | GST-302009 | Insulating sleeves and covers | 1003624 | 301.007 |
| 10 | GST-302010 | Screw, M3x16 | 1003520 | 301.008 |
| 11 | GST-302011 | Centering pin | 1003640 | 3001.009 |
| 12a | GST-302012 | Electrode, plug type | 1003742 | 301.010-01 |
| 12b | GST-302013 | Screw for electrode | 1003747 | 301.011 |
| 13 | GST-302014 | Rear section complete | 1003750 | 301.012-01 |
| 14 | GST-302015 | Connecting hose | 1003510 | 301.005 |
| 15 | GST-302016 | Connecting hose clamp | 1003509 | 301.004 |
| 16 | GST-302017 | Gas distribution ring | 1003634 | 301.013 |
| 17 | GST-302018 | Intermediate section complete | 1003754 | 301.014-00 |
| 18 | GST-302019 | O-Ring | 1003754 | 301.014-00 |
| 19 | GST-302020 | Intermediate section complete | 1003754 | 301.014-00 |
| - | GST-302021 | Intermediate section | 1003754 | - |
| 20 | GST-302022 | Front section | 1003749 | 301.015-01 |
| 21 | GST-302023 | O-Ring | 1003745 | 301.016 |
| 22 | GST-302024 | O-Ring | 1003626 | 301.017 |
| 23.1 | GST-302025 | Nozzle, 5 mm | 1003621 | 301.018 |
| 23.2 | GST-302026 | Nozzle, 6 mm | 1003743 | 301.019 |
| 23.3 | GST-302027 | Nozzle, 7 mm | - | 301.020 |
| 24 | GST-302028 | Injector support standard | 1003636 | 301.022 |
| 25 | GST-302029 | Nozzle screws, M3x10 | 1003521 | 301.023 |
| 26 | GST-302030 | Locknut, M5 | - | 301.021 |
| 27.1 | GST-302031 | Powder injector 1.5 mm | 1003434 | 380.001 |
| 27.2 | GST-302032 | Powder injector 1.8 mm | 1003436 | 380.002 |
| 27.3 | GST-302033 | Powder injector 2.0 mm | 1003439 | 380.003 |
| 27.4 | GST-302034 | Powder injector 1.5 mm | 1003758 | 380.004 |
| 27.5 | GST-302035 | Powder injector 1.8 mm | 1003760 | 380.005 |
| 27.6 | GST-302036 | Powder injector 2.0 mm | 1003761 | 380.006 |
| 28 | GST-302037 | Gun holder complete | - | 301.024 |
| 29 | GST-302038 | Screws, M3x6 | - | 301.003 |
To purchase a product you like, you need to order it. There are several scenarios for how this can be done.
Choose the product you like and click the "Book now" button. When placing an order, fill out the form. Enter information in the fields: full name, phone number and e-mail. Then the manager will send you e-mail to confirm your consent to make the purchase.
If you have any questions related to the product select the product you like and click the "Ask a question" button. Then fill out the form with contact information and send an application. The manager will contact you for further discussion.
We work with legal entities. And we provide few payment options.
We work on Standard purchasing Contract basis. Payment type depends on product and final customer country/address.
If you have any questions related to the product select the product you like and click the "Ask a question" button. Then fill out the form with contact information and send an application. The manager will contact you for further discussion.
We can deliver your ordered goods with recommended logistic companies on EXW/DDP basis. Delivery time depends on final customer country/address. Terms and conditions can be found in invoice/offer.
Ready to delivery lead time is longer for customized equipment/systems.
If you have any questions related to the product select the product you like and click the "Ask a question" button. Then fill out the form with contact information and send an application. The manager will contact you for further discussion.

