The GST Sinplex-90 is a machine-mounted plasma gun for the atmospheric plasma spray process. It is good solution for wear-resistant, thermal-barrier, and anti-corrosion thermal spray coatings. This plasma torch, with its 90° angled connection, easily integrates into robotic systems, providing outstanding thermal spray process stability.
The GST Sinplex-90 plasma gun utilizes a cascaded neutrode design, which differs from a conventional plasma spray gun. In a conventional plasma spray gun, the electrode (cathode/emitting electrode) is located in close proximity to the nozzle (anode/collecting electrode), and the arc is relatively short. In the GST Sinplex-90, neutrode rings surrounding the arc chamber are designed to extend the arc to the nozzle. This allows for a higher operating voltage at a given power level and ensures more efficient energy transfer to the plasma. This cascaded neutron design allows for power outputs of up to 60 kW.
The GST Sinplex-90 plasma gun is compatible with various gases (argon, helium, nitrogen, and hydrogen). Flexible settings allow for optimal parameter selection for different materials and applications.
GST Sinplex-90 Plasma Gun
| No. | Article | Name | OEM Article No. |
|---|---|---|---|
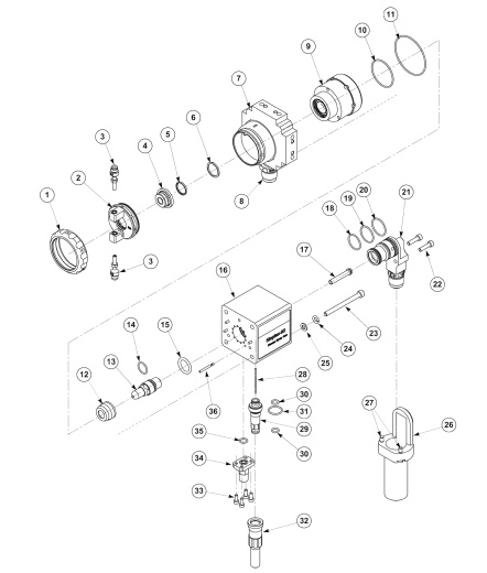
| 1 | GST 303001 | Nozzle Nut | 1060231 |
| 2 | GST 303002 | Short Injector Ring | 1080091 |
| 2 | GST 303003 | Long Injector Ring | 1079906 |
| 3 | GST 303004 | Powder Injector 1.8 | 1003436 |
| 3 | GST 303005 | Powder Injector 2.0 | 1003439 |
| 3 | GST 303006 | Powder Injector 1.5 | 103434 |
| 4 | GST 303007 | Nozzle Assembly, 9 mm (includes items 5 & 6) | 1082606 |
| 4 | GST 303008 | Nozzle Assembly, 6.5 mm (includes items 5 & 6) | 1082605 |
| 4 | GST 303009 | Nozzle Assembly, 8 mm (includes items 5 & 6) | 1302081 |
| 5 | GST 303010 | Insulator Ring | 1081770 |
| 6 | GST 303011 | O-ring, (Quad Ring) 0.801 X 0.070 | 1061036 |
| 7 | GST 303012 | Front Gun Body Assembly (includes item 8) | 1079905 |
| 8 | GST 303013 | Water (NOZ +) Hose Fitting | 1000103 |
| 9 | GST 303014 | Neutrode Stack Assembly | 1079904 |
| 10 | GST 303015 | O-ring, 1.614 x 0.070 Black Viton | 1059685 |
| 11 | GST 303016 | O-ring, 2.364 x 0.070 Viton | 1000366 |
| 12 | GST 303017 | Electrode Insulator | 1079909 |
| 13 | GST 303018 | Electrode | 1079897 |
| 14 | GST 303019 | O-Ring, Black Viton 0.614 x 0.07 in. (pkg. of 6) | 1001462 |
| 15 | GST 303020 | O-Ring, Buna 0.734 x 0.139 in. | 1017527 |
| 16 | GST 303021 | Rear Gun Body | 1079907 |
| 17 | GST 303022 | Cooling Water Tube | 1003423 |
| 18 | GST 303023 | O-Ring, Black Viton 0.864 x 0.07 in. | 1015536 |
| 19 | GST 303024 | O-Ring, Buna 0.926 x 0.07 in. (pkg. of 3) | 1001624 |
| 20 | GST 303025 | O-Ring, Black Viton 0.989 x 0.07 in. (pkg. of 2) | 1000225 |
| 21 | GST 303026 | Electrode Holder | 1079908 |
| 22 | GST 303027 | Screw, M5 x 20 mm (2 pcs.) | 1089684 |
| 23 | GST 303028 | Screw, M6 x 70mm (4 pcs.) | 1059687 |
| 24 | GST 303029 | Lock Washer, M6 (4 pcs.) | 1089683 |
| 25 | GST 303030 | Flat Washer, M6 (4 pcs.) | 1089682 |
| 26 | GST 303031 | Hose Cover (includes item 27) | 1081771 |
| 27 | GST 303032 | Captive Screw (2 pcs.) | 1081772 |
| 28 | GST 303033 | Ignition Spring | 1079913 |
| 29 | GST 303034 | Ignition Fitting (includes items 30 & 31) | 1079911 |
| 30 | GST 303035 | O-Ring, Black Viton 0.301 x 0.07 in. (2 pcs.) | 1015535 |
| 31 | GST 303036 | O-Ring, Black Viton 0.676 x 0.07 in. (pkg. of 4) | 1000143 |
| 32 | GST 303037 | Ignition Insulator | 1081773 |
| 33 | GST 303038 | Screw, M4 x 10 (4 pcs.) | 1003513 |
| 34 | GST 303039 | Plasma Gas Fitting | 1079910 |
| 35 | GST 303040 | O-Ring, Black Viton, 0.344 x 0.07 in. (pkg. of 4) | 1002073 |
| 36 | GST 303041 | Ignition Pin | 1079912 |
To purchase a product you like, you need to order it. There are several scenarios for how this can be done.
Choose the product you like and click the "Book now" button. When placing an order, fill out the form. Enter information in the fields: full name, phone number and e-mail. Then the manager will send you e-mail to confirm your consent to make the purchase.
If you have any questions related to the product select the product you like and click the "Ask a question" button. Then fill out the form with contact information and send an application. The manager will contact you for further discussion.
We work with legal entities. And we provide few payment options.
We work on Standard purchasing Contract basis. Payment type depends on product and final customer country/address.
If you have any questions related to the product select the product you like and click the "Ask a question" button. Then fill out the form with contact information and send an application. The manager will contact you for further discussion.
We can deliver your ordered goods with recommended logistic companies on EXW/DDP basis. Delivery time depends on final customer country/address. Terms and conditions can be found in invoice/offer.
Ready to delivery lead time is longer for customized equipment/systems.
If you have any questions related to the product select the product you like and click the "Ask a question" button. Then fill out the form with contact information and send an application. The manager will contact you for further discussion.

